中文版
english
网站首页
关于我们
公司简介
组织机构
企业文化
产品中心
RJ插座
HDMI插座
USB插座
DC插座
耳机插座
轻触开关
电源开关
卡座
连接器
其它插座
光纤适配器
工厂展示
新闻资讯
行业新闻
公司新闻
最新动态
联系我们
产品中心
RJ插座
HDMI插座
USB插座
DC插座
耳机插座
轻触开关
电源开关
卡座
连接器
其它插座
光纤适配器
最新资讯
为什么设计如此重要?
联系我们
深圳迈连科技有限公司
手机:
13923797586
联系人:吴总
座机:0755-28133080
地址:广东省龙华区观湖街道环观中路104号长京产业园A栋
电源开关
首页
> 电源开关
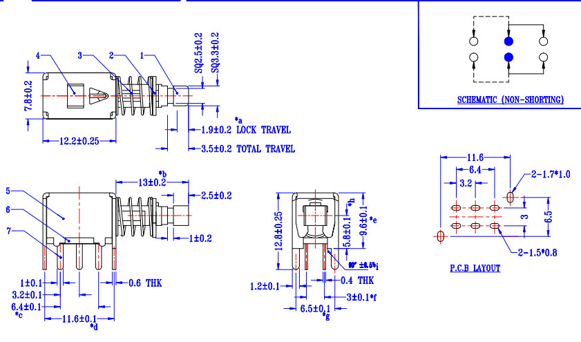
直键开关PS-22F02
产品编号:M3-220325-001
产品名称:开关-DC电源/PS-22F02
产品型号:开关
产品类别:电源开关
产品详细
产品咨询
产品名称:
*
姓名:
*
手机:
*
电话:
传真:
邮箱:
*
地址:
内容:
*
© 2019 深圳市迈连科技有限公司
粤ICP备2021010233号
吴先生
阿里旺旺
Skype
邮箱
13923797586